Bourgogne-Franche-Comté, Nièvre (58)
Lamenay-sur-Loire, Chapelle Saint-Roch
Édifice


NB : La notice publiée ci-dessous est une notice provisoire, la notice scientifique étant en cours de rédaction.
Construite au XIe par le seigneur du lieu pour « donner le secours de la religion aux habitants de sa propriété considérant que les autres églises étaient trop éloignées« , l’église de Lamenay-sur-Loire dépendait de l’abbaye de La Charité-sur-Loire. L’église était dédiée à saint Aignan à l’époque médiévale puis à saint Roch après la peste de 1746.
L’église devient église paroissiale en 1685. Fermée à la Révolution en 1793, elle est transformée en magasin « d’entreposage ».
Rachetée au XIXe par la famille de Certaines dans le but de la restaurer et de la rendre au culte (ce qui est fait en 1840), elle est desservie par un prêtre résidant sur place jusqu’en 1932. Les archives relatives à la chapelle ont été brûlées durant l’Occupation.
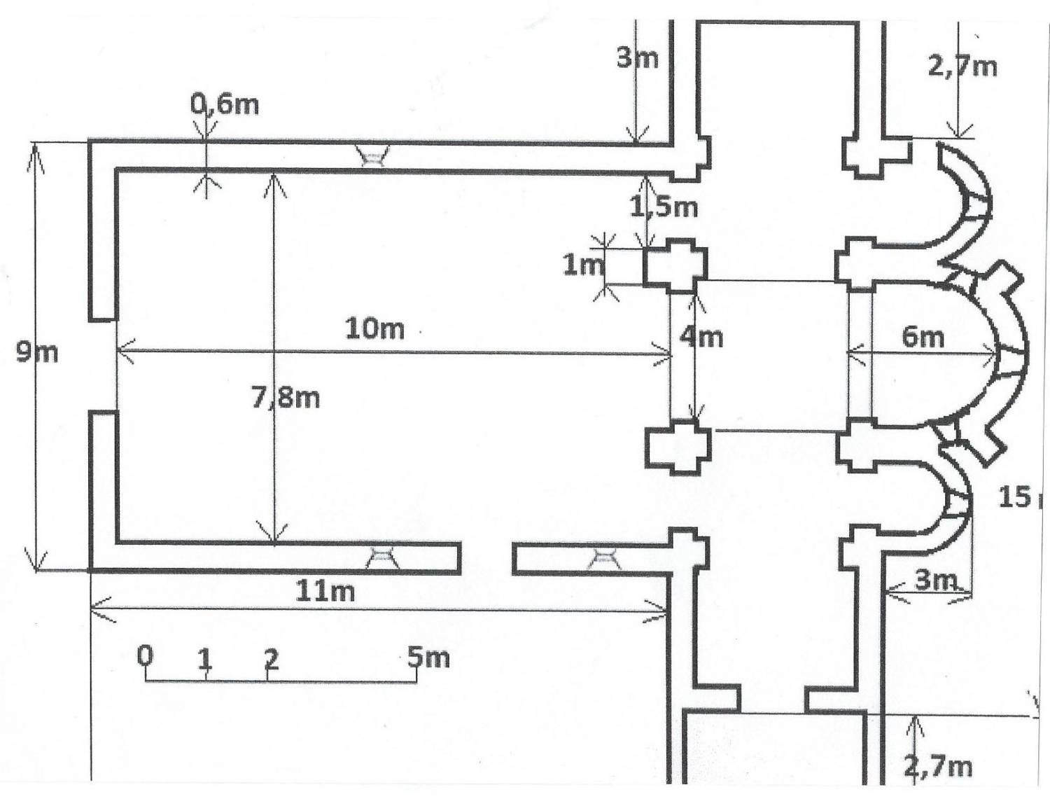
La chapelle se compose d’une nef rectangulaire éclairée par deux grandes baies, terminée par un mur pignon; d’un chevet à abside semi-circulaire et deux absidioles, et d’un transept à deux bras symétriques. Le bras Sud du transept est prolongé par une petite sacristie de forme carrée. Au-dessus de la porte d’entrée est sculptée la devise de la famille de Certaines: « Fiance en Dieu, fiance certaine« .
L’ensemble est couvert en tuile plate. Le clocher a été restauré au XIXe siècle: de plan carré, il est percé d’oculi à l’Est et à l’IOuest. Il est formé d’un toit en pavillon couvert de tuile plate et d’une tourelle sur laquelle repose un clocheton, l’ensemble étant couvert de bardeaux de châtaignier.






